
Poor air quality in East Reading hit the local news this week. The giant biscuit factory that once dominated the area has long gone. In a town with minimal industrial activity, the modern culprit is vehicle emissions, and especially those from the idling traffic along Kings Road that has gradually deteriorated from a brief peak-time issue, to virtually ever-present. In a town renowned for its congestion, Cemetery Junction is Reading’s flagship traffic jam. A third bridge and investment in public transport are clearly the focus for a solution, but I think we should look closely at how we use our limited road space to keep things moving better. The current situation is bad for residents, visitors, commuters and the environment, and I think we should explore other options.
Before proposing any measures favouring the motorist, I feel burdened to address two accusations that will inevitably be levelled. Firstly, “improving the roads just attracts more traffic”, and secondly, “we’re done with cars – they’re the past”.
On the first, this argument has slowly pervaded the country, and is probably behind the modern reluctance to invest in new roads to the same extent as previous decades. And it’s probably correct. But I don’t think those extra journeys are evil people driving around just because they can; they’re going to work, participating in leisure activities, visiting family etc. People want to be able to move around, and what is the purpose of a society if it’s not, within reason, to help people do what they want? Besides, the main idea in this article is that the town’s road network capacity is currently biased towards inbound traffic. Taking in more than can get out results in inevitable gridlock for everyone, which causes the delays, and ultimately the pollution. If we can keep things moving, even if that means more vehicle movements in total, this could be good for everyone.
Are we done with cars? Well, I certainly hope that the vast majority of transport spending is focussed on public transport and cycling infrastructure. The East Reading MRT is hugely positive, and I whole-heartedly believe it should be upgraded to a tram line in the future. But personal jetpacks are still confined to cartoons. In the real world, chemists are engaged in a race with computer scientists as to whether fully electric cars or self-driving cars will dominate first. But before either wins, it seems Uber will be scheduling the journeys and managing supply and demand. The future should be safe and clean “motoring”, if that’s still the right term. Maybe “car” is also the wrong word, but our streets will be teeming with small vehicles for many years to come, and the economic fortunes of a town will be tied to its capacity for moving them around.
So what about Cemetery Junction? I didn’t watch the film – I gather it was some kind of human interest story rather than a history of bus lanes and pedestrian refuge locations. But I hear that their Cemetery Junction had its own railway station. We don’t have that luxury, we have a busy crossroads between the A329 Reading to Wokingham Road, and the A4 from Reading to Maidenhead. The latter dominates the traffic flow, with the A329M taking traffic to and from Sutton’s Seeds roundabout, leaving the short section of London Road between there and Cemetery Junction as the principle bottleneck in town.
This stretch of road is three lanes wide. Currently, one lane leads traffic out of town, with two lanes inbound. For much of the day, traffic queues along the Kings Road to then fight its way along this single outbound lane. The left lane on Kings Road is reduced to a crawl as side roads and crossings slow things down, whilst traffic from the right lane also cuts in. ‘Team left lane’ don’t really like ‘team right lane’ very much – I’ve seen, literally, mutual applause amongst members when carefully coordinated bumper-to-bumper advancement leaves a ‘right-laner’ marooned at Cemetery Junction. ‘Right laners’ point to the signage to vindicate their strategy, but generally accepted Reading folklore decrees that cutting in at any point beyond the college is morally reprehensible.

This battle plays out all day. But the major problem happens at peak times. Frequently, the queue just to choose your side in this contest back up along Queen’s Road (IDR), which blocks the flow from Sidmouth Street, which backs up along London Road, through Cemetery Junction all the way to Sutton’s roundabout and beyond. The queue to get out of Reading to the east backs up full-circle all the way out of town to the east – it’s a never-ending Mobius strip of congestion.

I’m not a professional at designing road layouts. But after warning of the likely impact of last year’s A329M changes, then writing a piece on this site proposing solutions that reads almost exactly like the subsequent official review, I feel emboldened enough to throw some ideas out there. However, I’d very much welcome scrutiny, be that expert or otherwise.
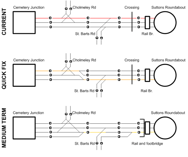
I think we need to create extra outbound capacity along London Road to Sutton’s Roundabout. I’m not proposing demolishing any buildings – I think we have to work with what we’ve got. You could explore having the middle lane alternate between inbound and outbound depending on time-of-day. But I think the outbound queues are ever-present, and not an evening peak phenomenon. You could completely switch the middle lane to outbound, but I think we need to allow a good volume of inbound traffic through Cemetery Junction during its green phase on the lights, and that needs two lanes.
My suggestion is to switch the direction of the middle lane part way along London Road. I believe this will come very close to maintaining the inbound capacity, whilst substantially increasing the outbound capacity. After Cholmeley Road, the outbound flow takes the middle lane, meaning that Kings Road should flow faster able to fill up these two lanes. Meanwhile, retaining the two inbound lanes at the Cemetery Junction end should allow them to fill up steadily like a bucket of water from a tap, and then throw that volume through the junction during its phase on the lights, as currently. The plight of Newtown residents is not forgotten in my plan. They would lose the ability to right turn into Liverpool Road, having to use Cholmeley instead, but I think that’s a small price to pay to avoid being choked by near-stationary traffic all day.

Looking further ahead, and now I’m talking electric cars – clean, quiet and safe, it would be possible to have two outbound lanes for the full stretch of this road. By claiming around three metres from the Cemetery, and the pavement alongside Palmer Park (replaced by a footpath through the park), you could eek out the required extra space. The pedestrian crossing near Liverpool Road could also be replaced by a footbridge attached to the railway bridge, where there is space without encroaching, or even over-looking nearby houses.
In Reading we have several irons in the fire on transport improvements. The Third Bridge would prevent Caversham traffic from needing to battle through town (or Sonning) in the first place. The East Reading MRT bus lane from Thames Valley Park to Napier Road will divert buses away from this bottleneck, make bus travel more attractive, and lay the foundations of a possible future tram line. There is some investment in cycle infrastructure too. But I think we must continue to review the road network, because it might be that we could partly relieve our most notorious bottleneck for nothing more than the cost of a tin of paint and a few road signs. If they’re not already, hopefully those in charge might take a look…
Follow @readingonthames
What do you think? Comments welcome and can be left without any registration!
Great ideas once again. Having used this stretch of road many times in the past driving buses i have always been thinking of ways to improve traffic flow out of town. The motorway grade roundabout at one end is the biggest problem i have observed. Traffic comes down the slip road from the south still in motorway mode, at speed and many drivers without indication to whether they are turning right or left, as many will select the right hand lane of the slip road to turn left toward town. Traffic turning right at the roundabout from the shepherds hill direction towards thames valley park can also omit an indicator and again the lane is used both to turn and to head into town. Waiting to join the roundabout coming from town is a guessing game of whose going where as road positioning observation is no longer in use and each vehicle must judge one at a time. My solution is to lose the lights and go back to a regular roundabout. Narrow the circumference of the roundabout so there are still two lanes but traffic can’t move around it at above 30 mph. The slip road would divide in two at the bottom with an island providing town bound traffic with a roundabout avoiding filter lane, the bus lane on the slip road would be lost but park and ride buses may be using a kennet mouth bridge anyhow. This means that heading into town under the railway bridge there is only one lane leaving the roundabout and with better road marking, traffic coming away from town will find it easier to judge which direction inbound traffic is going thus speeding up outbound.
Inbound ideas i have include a one way sidmouth street but maybe that’s for another post.
Hope this all makes sense.
Great blog.
LikeLiked by 2 people
Thanks Reading General!
I think our thoughts are along the same lines. Introducing an extra lane at some point towards the Suttons end to increase the flow out of town will help “empty out” Kings Road. I like your suggestions for improving the roundabout. Thanks for reading, and yes, I might well cover Sidmouth St/IDR in another post!
LikeLike
My ideas for london road are from a selfish point of view, for speeding up public transport rather than improving journey time for cars etc. To move the queues away from the highly populated area rather than make it easier to drive, and make london road much calmer. Perhaps eventually giving in to just one wide lane in either direction so it’s not a dual carrigeway, but there is space to pass a stationary bus. With a single left turning lane from the a3290 into the london road and traffic making their lane choice while still on the a3290 the flow of traffic should be calmed here rather than at the lights of st, saviours road. Likewise with the inbound a4 london road/shepherds hill with lane choice of town bound or thames valley park bound made before the roundabout. There isn’t the need for so much roadspace and overtaking opportunity between the shepherds hill roundabout and the suttons seeds flyover, and there is loads of available space here to split regular traffic and public transport (be it buses or trams) by doing away with the large roundabouts and make the road have less of an urban motorway feel and more of a calm but moving main into town road like the wokingham road. You could probably make some space for a fair few houses here maybe even some local shops.
LikeLiked by 1 person
Agree with that – some good ideas. But to add the motorist context, junctions always interrupt the flow. So an extra lane approaching a junction allows doubling the flow during that phase, keeping the single lane further back flowing steadily. Hence my suggestion!
LikeLike
I thing RG is spot on: the outbound drain of London Road isn’t working. You could push more cars through Cemertery Junction but if they can’t get out the end they aren’t going anywhere. So why not: one inbound lane on London Road, fed by a filter lane from the A3290, as per RG. This opens up to two at Cemetery Junction. Then two outbound lanes on London Road, the left lane for the A4 and the right lane for the A3920. Without having to guess if London Road bound traffic from the A3920 really is going to turn left or you’re going to have to give way, London Road drains faster.
LikeLiked by 1 person
Interesting ideas. Two more for you:
1. As a regular morning user of London Road to get to the Railway station (because none of the buses are regular enough, reliable enough or direct enough to get to rail passengers to the station in time for the peak trains at 0720-0750 to London – this should be a quick and easy fix !) the biggest cause of the tailbacks is the phasing of the lights on Sidmouth Street. The top set allow traffic to go through from London Road, the bottom blocks it out of phase onto the IDR, so the whole thing tails back up London Rd. to Cemetery Junction. Sort this phasing out – any wasy job – & you also have a quick fix. Ditto, change the phasing of the lights on Eldon Rd/London Rd. to allow egress from Craven Road first, Eldon Td. second – this will prevent blockage of the Eldon Rd. box in front of the hospital.
2. We have a perfectly good river (actually 2) that could help to ferry passengers from the new Park & Ride at TVP into the centre/Railway station. It would be preferable to getting on a bus, and I’m sure some bright spark can come up with a feasible solution to use this ?
LikeLike
Thanks Dave. Yes, there is a big problem at the bottom of Sidmouth St. Could be a combination of lights phasing and yellow box blocking. It’s incredible that it’s essentially the outbound Kings Road queue that backs up all the way around.
It would be great to see the river used, but aren’t the speed limits very low? Could it compete with the bus link?
LikeLike
I reckon a river route would be quicker, to be honest. But you are correct, I think there are limits, but it’s very direct. Apart from one lock ! They use it for Reading festival to get the crowds ot the site (I used it last year) & it was quite well organised. Only a thought, mind – I still think thinking out of the box rather than the answer being “buses” could help. e.g. Monorail/Maglev link? Ever been on the automated system at Terminal 5 car park ?
On Sidmouth St., t the bottom, it is rare for the box t obe blocked in te morning – only in the evening rush to get out. But the phasing of the lights is definitely a real showstopper for traffic movement. The idea of a 1-way street down Sidmouth/up Eldon could be interesting, as your previous poster suggested.
LikeLike
I think any river service would have to stop short of Caversham Lock to be competitive on journey times. It would leave a short walk past the Lido to Reading Bridge and the Station. Possible.
Sidmouth street yellow box blocking definitely happens in the evening, maybe they could add cameras?
I think Eldon Road might need to stay 2-way for ambulances getting out from the hospital. I’d had the same thought!
LikeLike
I wish people would let go of ‘phasing’. It doesn’t work. Each and every junction is a separate entity with a capacity dictated by its layout. Total capacity of a route is a function of the capacity of the individual junctions — ‘phasing’ has nothing to do with it.
LikeLike
With regards to sidmouth street, there is extra road capacity here by making it one way. All the routes from the southbound lane can be done via london street and silver street/mount pleasant to reach kendrick road. This gives opportunity for two lanes northbound perhaps becoming three after the south street junction separating traffic turning left or right at the bottom earlier. Plus removing the traffic lights from the right turn at the top from london road, moving the pedestrian crossing further east along london road to outside the entrance of the older university. But wait, what about the increased traffic at london street? I have yet another idea for here, but maybe i should put all this on a map instead as it’s getting a bit complicated.
Cheers
LikeLiked by 1 person
Yes, you might need a map! How do you get London St to Kendrick Rd?
I think we need to be careful to ensure capacity getting out of town is slightly higher than inbound, so as to avoid accumulating unsustainable traffic on the idr and ensuring gridlock that we have now. So I don’t think you can make Sidmouth St one-way northbound without providing equivalent capacity the other way!
LikeLike
Any traffic for Kendrick road going up Sidmouth street must have come from East Forbury road so to reach Kendrick road from there without Sidmouth street available either Eldon road and London road can be used or Queens road, London street, Silver street, Mount pleasent, Whitley street and Christchurch road to the southern end of Kendrick road. I don’t see Kendrick road as a main route for traffic anyhow more of a cut through. More space can be made available in London street by removing the inbound bus lane and replacing it with a left turn for buses from Eldon road into Kings road and an outbound bus lane in London street itself as well as a one into two regular traffic lane beside it, splitting traffic going straight on or right at the top of the street earlier. I’ll attempt some sort of map, though not sure how and on what.
LikeLike
So buses from Earley to go past the hospital and into town via Kings Road? Has Kendrick Road just lost its buses now? Must be lots of custom from the schools. Any other routes currently use London St inbound?
LikeLike
When Broad street was open the inbound London street/Duke street bus lane was useful but by diverting the buses via Minster street and St. Mary’s butt’s makes a journey to the station by bus via London street longer at most times than going via Crown street and Southampton street. The times the bus lane has been closed for whatever reason in the past few years has seen journey times sped up and punctuality increase. In addition to this there are outbound queues on London street that buses heading for Kendrick road, Whitley street and Berkeley avenue could avoid with an outbound bus lane. By diverting buses that come via the hospital down Eldon road and Kings road to town you not only speed up this journey and end the confusing one way routing for these routes, but half the number of buses that can reach the inbound London street lane, leaving just the Kendrick road buses, the majority of journeys of which would be improved by using Crown street and Southampton street. If there was a northbound bus lane on Silver street/Mount pleasant to join to the current London street bus lane the i would suggest keeping it, but as buses from Whitley street and Berkeley avenue must join Traffic in Southampton street inbound anyway is isn’t of use to many routes. An outbound lane would benefit more bus journeys plus make the regular carriageway wider than one lane towards the southern end of the street.
A simple improvement at the foot of Southampton street would be better lane marking, as many motorists choose the wrong lane here when heading for the Oracle riverside car park, queuing in the centre lane (left onto the i.d.r/straight into Bridge street) rather than using the right hand lane at busy times effectively making the right hand lane redundant. Clear written road lettering and lane marking on the roundabout should solve this.
LikeLiked by 2 people
…certainly sounds like that inbound London St bus lane might not be paying its way. If Sidmouth St was one way it would lighten traffic further along London Road, potentially allowing longer phases for outbound London St to Silver St?
LikeLike
Certainly, If more traffic is using Sidmouth street to access Queens road/I.D.R westbound then longer light phases would be possible. With two regular traffic lanes in London street a right turn filter light into Crown street is possible while the pedestrian crossing phase on London road is happening plus no need for a crossing phase for the top of London street as it will be one way. The only flaw is that the Berkeley avenue/Coley park buses would have to join the regular carriageway to turn right into Crown street as the bus lane would only allow straight on and a left turn at the top of London street. However this bus route is only 3 buses per hour and i’m sure a keep clear box near the top would be useful for this.
Going back to the Queens road/I.D.R, there is a way of removing the need for buses to cross here from Duke street into London street but as you still need a pedestrian crossing phase it may as well be left as it is. I would love to see the dual carriageway buried here as since it was widened, London street, once a busy shopping street, has been cut off from the town centre, not helped by the Oracle turning its back on it with a large empty wall of the cinema. London street is on of the most attractive streets in the town, and if i could devise a way of closing it to major traffic completely i would. This is the street where bars, cafes etc. would work well as it’s between the shopping area and the university. If only it were possible to have a town with no I.D.R whatsoever, like Oxford. Although Oxford city council had plans for one, demolished a lot of housing in the centre for it and built one section of which is Thames street and Oxpens road passing between the ice rink and the Westgate centre. Anyhow, thanks for the replies. Cheers
LikeLiked by 1 person
I have a crude map of town centre ideas on a word document if you want to cast your eye over it send me an email address, cheers
LikeLike
sure! thanks. readingonthames@gmail.com
LikeLike
Always enjoy your alternative ideas for Reading, and they have merit.
An engineering idea here, but creating a new route farther north. Keep cemetery junction as is.
As the gasometers are getting demolished, A3290 becomes one way system around Suttons Business Park. Requires bridging or tunneling over GWR. Northern side of rounabout at A4 and A3290 gets closed, and flyover could be demolished, creating potential usable commercial extension for lost land at Suttons.
This one way route links into two way
crossing of tunnel or bridge between the two rail bridges at the Kennet. Benefits of this is that Horseshoe bridge is retained. Personally I think it should go. As this is a new crossing it could be funded by a toll.
Some form of crossing to get over or under tracks, linking into a new road linking Napier Road and Forbury Road out near the retail parks but away form the new housing developments. This Napier, Forbury crossing can create a new one way system removing the two roundabouts either side of the railway at Reading bridge and Apex plaza.
LikeLiked by 1 person
Thank you. Really interesting idea. Your plan does sound a bit expensive – I know that’s somewhat ironic from the person proposing the £1 billion+ tram system! But I think your scheme actually requires more demolition and new bridges/tunnels than my 100-station tram network, and those are probably the most expensive activities.
Do you know what is planned for the gasometers?
LikeLike
When BABTIE were employed by RBC many years ago to change the traffic along Queens Rd and London Rd, the plan resulted in the bus lane contra Queens Rd and no longer allowing traffic to filter down Kings Rd and turn left. I realise you are concentrating on the traffic out of town in this blog, but London Road is also far too easily snarled up, and having that alternative route down Eldon Rd and over Watlington Bridge used to help the flow of traffic by providing a more direct route to the station and Reading bridge.
When I asked one of the councillors about this just after the work finished he said that in actual fact the advice of the traffic professionals at BABTIE was to keep the Eldon Rd route into town “but one of the Labour councillors had constituents in that road and he was owed.” I have no way of knowing if that was true, but I have always wondered how easily one could get hold of the plans to check.
This town has been deliberately slowed down by councillors over the 25 years I have lived here, as one by one the short- cuts and ways out of jams have been blocked, and with traffic lights replacing roundabouts which overnight has made those junctions slower for everyone.
I think the council’s decisions have resulted in a poorer quality of life for everyone in Reading who drives or is driven round, and I think it’s time they were called out on it.
LikeLiked by 1 person
I think maybe some of these decisions have resulted in a better quality of life for those who live on short cut routes, walk or use public transport. Road space decisions must take a balanced view on who uses it and this involves those not in cars too. The council have been forced into a corner by neighbouring councils who are unwilling to help solve a problem that is only within the Reading borough, caused by traffic mainly from outside of the borough. Removing a short cut is perhaps the Reading borough looking after its ratepayers first. I do wonder though how the traffic would move if all roads went back to two way and there were no traffic light junctions (just pedestrian crossings) and all junctions were give way.
LikeLiked by 2 people
Sounds like the politics got complicated! Once most of the Kings Rd buses have been moved onto the Napier Road (MRT) link, there might be a stronger case for reopening that Eldon Rd – Kings Rd – Watlington St link. But then you’d need to shorten the traffic light phases given to Queens Rd traffic heading outbound to Kings Road, which might end badly!
LikeLike
I wouldn’t say councillors have slowed the traffic over 25 years; nothing of the sort really. Does the IDR or the A33 relief road or the Suttons Roundabout fly-over look like devices to take away capacity?
What *has* happened is the number of cars going through the town has doubled. There’s a very hard limit on many cars you can fit through ground-level junctions. (London had a plan for elevated motorways but only the Westway was built, thank goodness.) Most towns and cities in the UK are at that limit. What we need is alternatives — rapid mass transit and provision for cycling, London has the former (the Underground, Overground, lots of buses and in some areas trams), and is getting the latter with cycle Superhighways. Imagine what it would be like without!
If we want to have more people within a reasonable commuting time of more businesses, so businesses have a larger pool of talent to draw upon and thus can be more effective, we’re going to have to start investing.
LikeLiked by 1 person
Why was the route that was going past Tescos over horseshoe bridge and out on to the 329m was ever dropped,
LikeLike
Hi. The 1980’s proposed cross-town route was never completed – not exactly sure of the full reasons but it was controversial so presumably ran into political difficulties.
A new proposal along the same route is very much alive, but is a bus and cycle link only. It will help London Rd to a degree by removing the bus traffic (which is not inconsiderable)
LikeLike
I remember the CTR well, and the reasons against then are partly the same as the reasons against the bus link. People don’t want to lose that thread of greenery alongside the south bank of the Thames. But also: a road link would just make all the routes in and out of the Reading Bridge roundabout jam up — the Lonond Road problem is simply moved, not cured.
A link for mass rapid transit is more acceptable because it would cut pollution rather than an increase it, and cut in the number of vehicles moving, not increase it, while increasing the amount of *people* being moved.
LikeLiked by 1 person
“My suggestion is to switch the direction of the middle lane part way along London Road. I believe this will come very close to maintaining the inbound capacity, whilst substantially increasing the outbound capacity.”
A great post (as usual) but I think you’re a bit off. You’re right, to increase the throughput of cemetery junction you’d need to lanes each way through the signals. But you’d still need to merge two lanes to one outbound after the junction, and that would still back up (people just can’t figure out ‘merge in turn’). So would gain a little, but not much.
Imagine if you had two lanes each way the length of London Road. That would give you capacity similar to the A33. Now I dare you to try something: drive the A33 each way, Oracle to M4, at 8am and 5pm. That road has almost maximum capacity. Yet believe me, the queues are much longer and slower than London Road. People need to get out of their cars and onto their bikes, and we need the infrastructure to let them do that on direct routes which are separate from heavy vehicles. Or none of us will get the exercise we need to live the long healthy lives we’re capable of, and we’ll all need to pay more tax to fund a big enough NHS to treat us all.
A quick word on footbridges — they’re a nightmare for the old, the disabled, for people on bikes, and young folk ignore them. They don’t work — that’s why they’re not built any more.
LikeLiked by 2 people
Thank you very much for your comments dangrey. Fair point on the footbridge.
I think two lanes outbound just at the Sutton’s end would allow two cars out onto the roundabout simultaneously. That creates space in behind to keep the single outbound lane flowing slightly faster – not exactly free-flowing, but an improvement.
Wholly agree on bikes/buses/trams etc, but I don’t think we can completely ignore the motorist, particularly where we have disproportionate bottlenecks: this junction, and of course the 3rd bridge to relieve the existing ones.
LikeLike
Just speculation after the past couple of days of comments. While walking up the stretch of road in question today, i wondered what the traffic would be like if the section of a329m between Loddon bridge and London road was never built, with traffic from the Wokingham direction using Wokingham Road and Shepherd’s hill was single carriageway as it was before Sutton Seeds roundabout. Obviously traffic would be busy in other areas, but do you think it would be much easier to manage?
LikeLike
Sutton’s already has a flyover, so shouldn’t be too hard to manage! Interesting thought, but that road now underpins TVP, and hopefully soon a 3rd bridge too
LikeLike
We need more outbound capacity to flush out traffic towards the motorway network. The easiest way to add this is to make the Napier Road – A329M link with an eastbound only traffic lane, as well as the bus facility in both directions.
LikeLiked by 1 person